| 일 | 월 | 화 | 수 | 목 | 금 | 토 |
|---|---|---|---|---|---|---|
| 1 | 2 | 3 | 4 | 5 | 6 | 7 |
| 8 | 9 | 10 | 11 | 12 | 13 | 14 |
| 15 | 16 | 17 | 18 | 19 | 20 | 21 |
| 22 | 23 | 24 | 25 | 26 | 27 | 28 |
- 컴퓨터구조
- 확률분포
- 파이썬 날코딩으로 알고 짜는 딥러닝
- 딥러닝 교차엔트로피
- 자연어처리
- lost function
- 딥러닝 교차 엔트로피
- 인공지능
- 파라미터
- 리스트
- 오퍼랜드
- 딥러닝
- 엔트로피
- DB
- 연결 자료구조
- 단층 퍼셉트론
- 파이썬 딥러닝
- 뇌를 자극하는 알고리즘
- 단층퍼셉트론
- 선형 리스트
- 자료구조
- 자료구조 알고리즘
- 회귀분석
- 퍼셉트론
- 편미분
- 순차 자료구조
- 노드
- 신경망
- DBMS
- 교차 엔트로피
- Today
- Total
YZ ZONE
[ 컴퓨터구조 ] 3.4 시프트 연산 본문
시프트 연산
▣ 논리적 시프트 (logical shift)
▪레지스터 내의 데이터 비트들을 왼쪽 혹은 오른쪽으로 한 칸씩 이동
▪ 좌측 시프트(left shift)
➢모든 비트들을 좌측으로 한 칸씩 이동
➢최하위 비트(A1)로는 ‘0’이 들어오고, 최상위 비트(A4)는 버림

▪ 우측 시프트(right shift)
➢모든 비트들이 우측으로 한 칸씩 이동
➢최상위 비트(A4)로 ‘0’이 들어오고, 최하위 비트(A0)는 버림
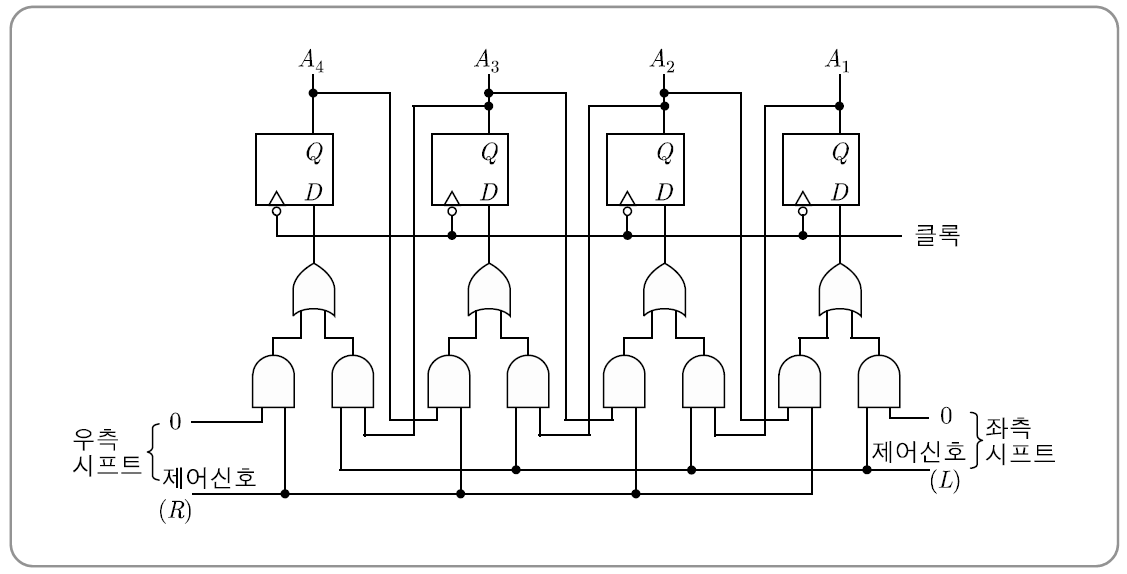
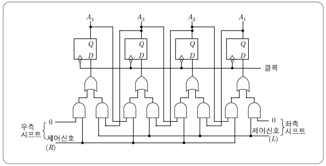
시프트 레지스터(shift register)
▣ 시프트 기능을 가진 레지스터의 내부 회로

순환 레지스터(circular register)
▣ 순환 레지스터
▪ 회전(rotate)이라고도 부르며, 최상위 혹은 최하위에 있는 비트를 버 리지 않고 반대편 끝에 있는 비트 위치로 이동
▪ 순환 좌측-시프트(circular shift-left)
➢최상위 비트인 A4가 최하위 비트 위치인 A1으로 이동

▪ 순환 우측-시프트(circular shift-right)
➢A4 →A3,A3 →A2,A2 →A1,A1 →A4
직렬 데이터 전송(serial data transfer)
▣ 직렬 데이터 전송
▪ 시프트 연산을 데이터 비트 수만큼 연속적으로 수행함으로써 두 레지 스터들 사이에 한 개의 선을 통하여 전체 데이터를 이동하는 동작


산술적 시프트(arithmetic shift)
▣ 산술적 시프트
▪ 수(number)를 나타내는 데이터에 대한 시프트
▪ 방법: 시프트 과정에서 부호 비트는 그대로 유지시키고, 수의 크기를 나타내는 비트들만 시프트
▪ 산술적 좌측-시프트(arithmetic shift-left)
➢A4 (불변), A3 ← A2, A2 ← A1, A1 ← 0
▪ 산술적 우측-시프트(arithmetic shift-right)
➢A4 (불변), A4 → A3, A3 → A2, A2 → A1

C플래그를 포함한 시프트 연산
▣ C플래그를 포함한 시프트 연산
▪ C 플래그를 포함한 좌측-시프트(SHLC : shift left with carry)
▪ C 플래그를 포함한 우측-시프트(SHRC : shift right with carry)

▣ RLC(rotate left with carry)
▪ C 플래그를 포함하는 좌측 순환 시프트(회전) 연산
▣ RRC(rotate right with carry)
▪ C 플래그를 포함하는 우측 순환 시프트(회전) 연산

'IT > 컴퓨터구조' 카테고리의 다른 글
| [ 컴퓨터구조 ] 3.5.2 정수의 산술 연산 (계속) (0) | 2023.02.06 |
|---|---|
| [ 컴퓨터구조 ] 3.5 정수의 산술 연산 (0) | 2023.02.06 |
| [ 컴퓨터구조 ] 3.3 논리 연산 (0) | 2023.02.06 |
| [ 컴퓨터구조 ] 3.1-2 컴퓨터 산술과 논리 연산 (0) | 2023.02.06 |
| [ 컴퓨터구조 ] 2.4.3 명령어 세트 (2) | 2023.02.05 |