| 일 | 월 | 화 | 수 | 목 | 금 | 토 |
|---|---|---|---|---|---|---|
| 1 | 2 | 3 | ||||
| 4 | 5 | 6 | 7 | 8 | 9 | 10 |
| 11 | 12 | 13 | 14 | 15 | 16 | 17 |
| 18 | 19 | 20 | 21 | 22 | 23 | 24 |
| 25 | 26 | 27 | 28 | 29 | 30 | 31 |
- 단층퍼셉트론
- 자료구조
- 편미분
- 딥러닝 교차엔트로피
- 퍼셉트론
- 파이썬 딥러닝
- 리스트
- 교차 엔트로피
- 딥러닝
- 엔트로피
- DBMS
- 노드
- 파이썬 날코딩으로 알고 짜는 딥러닝
- 인공지능
- 확률분포
- 연결 자료구조
- 신경망
- 순차 자료구조
- 뇌를 자극하는 알고리즘
- 파라미터
- 딥러닝 교차 엔트로피
- DB
- 컴퓨터구조
- 자연어처리
- 선형 리스트
- 자료구조 알고리즘
- 단층 퍼셉트론
- 회귀분석
- 오퍼랜드
- lost function
- Today
- Total
YZ ZONE
[ 컴퓨터구조 ] 5.4 기억장치 모듈의 설계 본문
기억장치 모듈의 설계
▣ 기억장치 모듈이란?
▪기억장치 칩의 데이터 I/O 비트 수가 컴퓨터의 단어 길이보다 적은 경우
➔여러 개의 칩들을 병렬로 접속하여 기억장치 모듈을 구성 (한 번에 한 단어씩 액세스할 수 있도록 하기 위해...)
▪ 단어의 길이 = N비트, 기억장치 칩의 데이터 I/O 비트 수 = B 라면,➔N/B 개의 칩들을 병렬 접속!!
[예] N = 8일 때, 16×4비트 RAM 칩들을 이용한 기억장치 모듈의 설계
➢방법 : 2개의 RAM 칩들을 병렬 접속
➢모듈의 용량 : (16×4) × 2개 = 16×8비트 = 16바이트
➢주소 비트(4개: A3∼A0) : 두 칩들에 공통으로 접속
➢칩 선택(Chip Select: CS) 신호도 두 칩들에 공통으로 접속
➢주소 영역 : 0000 ∼ 11112
16×4비트 RAM 칩들을 이용한 16×8비트 기억장치 모듈

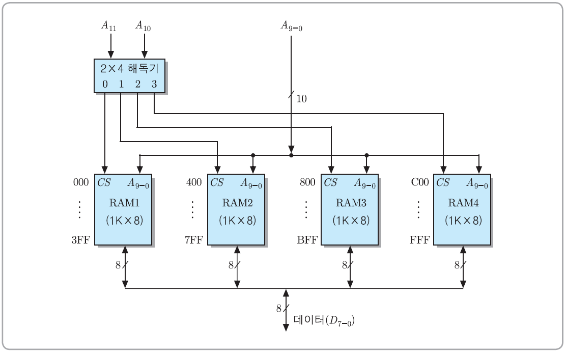
[예] 1K×8비트 RAM 칩들을 이용한 1K×32비트 기억장치 모듈의 설계
➢방법 : 4 개의 RAM 칩들을 병렬 접속
➢모듈의 용량 : (1K×8) × 4 개 = 1K×32비트 = 1Kword
➢주소 비트(10개: A9∼A0) : 모든 칩들에 공통으로 접속
➢주소 영역 : 000H ∼ 3FFH (단, H는 16진수 표시)
➢데이터 저장 : 동일한 기억장치 주소에 대하여 칩 당 (32비트들 중의) 8 비 트씩 분산 저장
1K×32 비트 기억장치 모듈

[참고] 16진수(Hexadecimal number)

기억장치 모듈의 설계 (계속)
▣ 필요한 기억 장소의 수가 각 기억장치 칩의 기억 장소 수보다 많은 경우➔여러 개의 칩들을 직렬 접속하여 기억장치 모듈을 구성

16×4비트 RAM 칩들을 이용한 32×4비트 기억장치 모듈



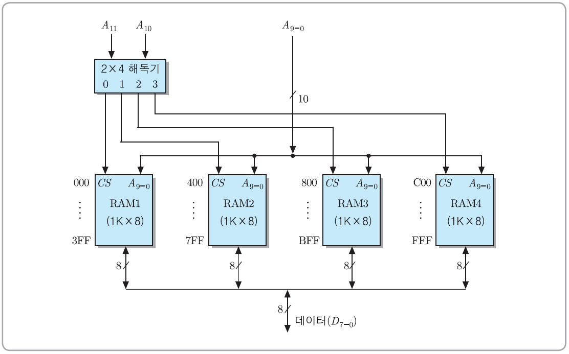
▣ 각 RAM에 지정되는 주소 영역

4K x 8비트 기억장치 모듈

▣ 기억장치 모듈의 설계 순서
1. 컴퓨터시스템에 필요한 기억장치 용량 결정
2. 사용할 칩들을 결정하고, 주소 표(address table; address map이라고도 함)를 작성
3. 세부 회로 설계
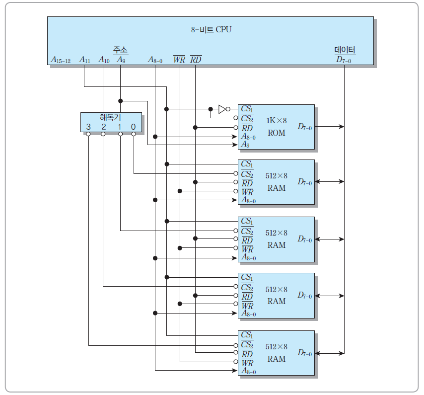
예] 8-비트 마이크로컴퓨터를 위한 기억장치의 설계
- 필요 용량 : 1KByte ROM, 2KByte RAM
- 주소 영역 : ROM = 0번지부터, RAM = 800H 번지부터
- 사용 가능한 칩들 : 1K×8bit ROM, 512×8bit RAMs
- 기억장치주소표(memoryaddressmap)

8-비트 마이크로컴퓨터를 위한 기억장치 설계의 예

'IT > 컴퓨터구조' 카테고리의 다른 글
| [ 컴퓨터구조 ] 5.5.2 캐시 기억장치 (계속) (0) | 2023.02.08 |
|---|---|
| [ 컴퓨터구조 ] 5.5 캐시 기억장치 (0) | 2023.02.08 |
| [ 컴퓨터구조 ] 5.3 반도체 기억장치 (0) | 2023.02.06 |
| [ 컴퓨터구조 ] 5.2 계층적 기억장치시스템 (0) | 2023.02.06 |
| [ 컴퓨터구조 ] 5.1 기억장치의 분류와 특성 (0) | 2023.02.06 |