| 일 | 월 | 화 | 수 | 목 | 금 | 토 |
|---|---|---|---|---|---|---|
| 1 | 2 | 3 | ||||
| 4 | 5 | 6 | 7 | 8 | 9 | 10 |
| 11 | 12 | 13 | 14 | 15 | 16 | 17 |
| 18 | 19 | 20 | 21 | 22 | 23 | 24 |
| 25 | 26 | 27 | 28 | 29 | 30 | 31 |
- 자료구조
- 컴퓨터구조
- lost function
- 파이썬 딥러닝
- DB
- 딥러닝 교차엔트로피
- 딥러닝
- 딥러닝 교차 엔트로피
- 확률분포
- 파이썬 날코딩으로 알고 짜는 딥러닝
- 회귀분석
- 교차 엔트로피
- 오퍼랜드
- 선형 리스트
- 노드
- 자연어처리
- 신경망
- 단층퍼셉트론
- 리스트
- 인공지능
- 뇌를 자극하는 알고리즘
- 연결 자료구조
- DBMS
- 자료구조 알고리즘
- 파라미터
- 단층 퍼셉트론
- 엔트로피
- 퍼셉트론
- 편미분
- 순차 자료구조
- Today
- Total
YZ ZONE
[ 컴퓨터구조 ] 4.1-2 제어 유니트의 기능/ 구조 본문
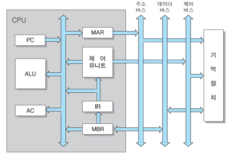
제어 유니트의 기능
▣ 제어 유니트의 기능
▪ 명령어 코드의 해독
▪ 명령어 실행에 필요한 제어 신호들의 발생
▣ 마이크로명령어(micro-instruction)
▪ 명령어 사이클의 각 주기에서 실행되는 각 마이크로-연산을 지정해주는 2 진 비트들로서, 제어 단어(control word)라고도 함
▣ 마이크로프로그램(microprogram)
▪ 마이크로명령어들의 집합
▣ 루틴(routine)
▪ CPU의 특정 기능을 수행하기 위한 마이크로명령어들의 그룹
▪[예] 인출 사이클 루틴, 실행 사이클 루틴, 인터럽트 사이클 루틴
4.2 제어 유니트의 구조
제어 유니트의 내부 구성도


제어 유니트의 기능
▣ 구성 요소들
▪ 명령어 해독기(instruction decoder)
➢명령어 레지스터(IR)로부터 들어오는 명령어의 연산 코드를 해독하여 해당 연산을 수행하기 위한 루틴의 시작 주소를 결정
▪ 제어 주소 레지스터(control address register: CAR)
➢다음에 실행할 마이크로명령어의 주소를 저장하는 레지스터
➢이 주소는 제어 기억장치의 특정 위치를 지칭
▪ 제어 기억장치(control memory)
➢마이크로명령어들로 이루어진 마이크로프로그램을 저장하는 내부 기억 장치
제어 유니트의 구조
▣ 제어 버퍼 레지스터(control buffer register: CBR)
▪ 제어 기억장치로부터 읽혀진 마이크로명령어 비트들을 일시적으로 저 장하는 레지스터
▣ 서브루틴 레지스터(subroutine register: SBR)
▪ 마이크로프로그램에서 서브루틴이 호출되는 경우에 현재의 CAR 내용 을 일시적으로 저장하는 레지스터
▣ 순서제어 모듈(sequencing module)
▪ 마이크로명령어의 실행 순서를 결정하는 회로들의 집합
CPU의 명령어 세트 설계 및 구현 과정
- 명령어들의 종류 및 비트 패턴 정의
- 명령어들의 실행에 필요한 하드웨어 설계
- 각 명령어를 위한 실행 사이클 루틴 작성(마이크로프로그래밍)
- 마이크로프로그램 코드들을 제어 기억장치에 저장
제어 기억장치의 내부 구성
▣ 마이크로프로그램 루틴들을 제어 기억장치에 저장한 예
▪ 제어 기억장치 용량 = 128 단어
▪ 전반부 (0 ~ 63번지)
➢공통 루틴들 저장
▪ 후반부 (64 ~ 127번지)
➢각 명령어의 실행 사이클 루틴들 저장

명령어 해독 과정
▣ 명령어 해독
▪명령어의 연산 코드가 지정하는 연산을 위한 실행 사이클 루틴의 시작 주소를 결정하는 동작
▣ 사상(mapping)을 이용한 해독 방법
▪명령어의 연산 코드를 특정 비트 패턴과 조합
▪ [예] 16-비트 길이의 명령어가 4 비트의 연산 코드, 1 비트의 간접 주 소지정(I) 비트 및 11 비트의 주소로 구성된 경우


'IT > 컴퓨터구조' 카테고리의 다른 글
| [ 컴퓨터구조 ] 4.4 마이크로프로그래밍 (0) | 2023.02.06 |
|---|---|
| [ 컴퓨터구조 ] 4.3 마이크로 명령어의 형식 (0) | 2023.02.06 |
| [ 컴퓨터구조 ] 3.7 부동소수점 산술 연산 (0) | 2023.02.06 |
| [ 컴퓨터구조 ]3.6 부동소수점 수의 표현 (0) | 2023.02.06 |
| [ 컴퓨터구조 ] 3.5.2 정수의 산술 연산 (계속) (0) | 2023.02.06 |